液壓油缸,工程油缸,泵車油缸,專用車油缸制造商-湖北佳恒科技有限公司

產品展示
自卸車油缸|泵車|隨車吊油缸|環衛車油缸|液壓系統|泵送系統|放大架總成|礦用液壓支柱|背罐車油缸|起重機油缸|
前置頂液壓油缸|中頂缸|伸縮式套筒液壓缸|雙作用液壓缸|
您現在所在的位置:首頁 > 產品中心 > 產品分類 > 自卸車油缸 > 前置頂液壓油缸

輕量化TG162系列

輕量化TG162系列

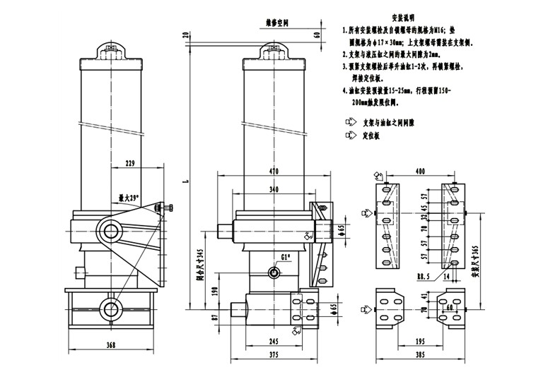
前置頂液壓油缸(帶外套筒)                               TG162系列(輕量化系列)

液壓缸六大優勢:

Ø 更安全!

佳恒輕量化系列油缸采用優異的結構設計和新材料應用,經受最惡劣工況持續穩定工作不脫節,確保駕駛人員和車輛安全,為用戶創造最有價值的安全保證!

Ø 更快的卸貨速度

佳恒輕量化系列油缸采用優異的結構設計,提升油缸卸貨速度!

Ø 更高的舉升頻次

佳恒輕量化系列油缸適應于全天候短駁高頻次作業,性能穩定,故障率極低,增加轉運次數,降低停車時間!

Ø 更強的環境適應能力

佳恒輕量化系列油缸采用創新密封專利技術及新材料應用,可適應-40~110℃溫度范圍,高溫和低溫環境作業可保證極好的使用性能!

Ø 更輕盈

佳恒輕量化系列油缸較其他同系列產品自重降低15%~20%,舉升力提升10%~15%!

Ø 更大的舉升力

佳恒輕量化系列油缸較其他同系列產品舉升力提升10%~15%。更大的舉升力,更多裝載帶來更多收益!更輕的自重,更大的舉升力,更顯輕盈!

外形安裝尺寸:

中卡Q系列
輕卡Q系列
JM
G系列掛車
ZQ系列
湖北佳恒科技股份有限公司 | 版權所有 鄂ICP備17026771號-1 十堰網站建設 | 制作維護
地址:湖北省十堰市高新區天馬大道387號 電話:400-885-7266 0719-7590366 7590668
--相關友情鏈接--
十堰網站建設
三一重工